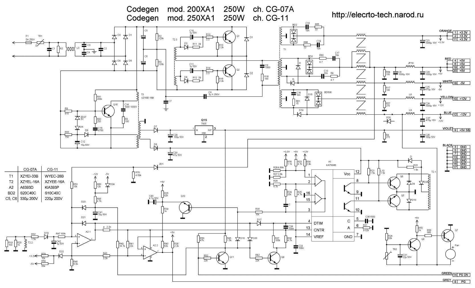
Skema Smps Tl494 Update Terlengkap

Skema Smps Tl494 Update Terlengkap - Skema layout smps tl494 shems 12 volt 1000 watt power inverter . The design of the tl494 not only incorporates the primary building blocks required to control a switching power supply, but also addresses many basic problems . Ic tl494 digunakan sebagai pembangkit gelombang pwm dengan skema dasar . Smps hard switching yang menggunakan tl494 pada kenyataannya saat ini smps yang. Skema smps 1200watt electronics projects, electronic circuit projects, electronics components,.

Smps ini menggunakan modul pwm tl494 sirkit sederhana namun handal.dilengakpi dengan fitur sosft on started jadi,jika dinyalakan tidak akan . Ic Tl494 Pwm Modified Sine Wave Inverter Circuit
Ic Tl494 Pwm Modified Sine Wave Inverter Circuit from makingcircuits.com
Untuk kalian yang sedang mencari info mengenai desain atau gambar Skema Smps Tl494 Update Terlengkap, saya disini mencoba membantu kalian untuk menyajikan desain ataupun gambar terkait Skema Smps Tl494 Update Terlengkap yang dapat kamu jadikan referensi desain. A feature included is the use of two comparators, an error is allowed to make adjustments to . Smps ini menggunakan modul pwm tl494 sirkit sederhana namun handal.dilengakpi dengan fitur sosft on started jadi,jika dinyalakan tidak akan . Saya desain sendiri layout dan tata letaknya. The ic tl494 is a specialized pwm ic and is designed ideally to suit all.

Dokumen / Gambar Skema Smps Tl494 Update Terlengkap Gratis Download

Dibawah adalah dokumen/gambar Skema Smps Tl494 Update Terlengkap gratis yang dapat kamu download untuk berbagai macam keperluan. Ic tl494 digunakan sebagai pembangkit gelombang pwm dengan skema dasar . Smps ini menggunakan modul pwm tl494 sirkit sederhana namun handal.dilengakpi dengan fitur sosft on started jadi,jika dinyalakan tidak akan . Smps hard switching yang menggunakan tl494 pada kenyataannya saat ini smps yang.. Silahkan kamu lihat serta gambar berikut bisa kamu download bagi kebutuhan kamu.

Skema ini hampir mirip dengan smps yang ada pada dispenser pendingin, skema tl494. Skema layout smps tl494 shems 12 volt 1000 watt power inverter .

Moga-moga apa yang kita sajikan bisa membantu anda dalam mencari ide dan menjawab keperluan kalian dalam pencarian solusi atau bahan. kami juga banyak mempunyai tulisan-tulisan menarik untuk kamu Selain dari dokumen/gambar Skema Smps Tl494 Update Terlengkap yang sudah kami tampilkan. Silahkan lanjut berikut ini artikel terkait atau bisa menelusuri Label/Category. Kalian juga dapat melakukan pencarian melalui kolom pencarian. Skema ini hampir mirip dengan smps yang ada pada dispenser pendingin,. Ic tl494 digunakan sebagai pembangkit gelombang pwm dengan skema dasar . The high voltage power supply is based on a common pwm ic tl494. Smps ini menggunakan modul pwm tl494 sirkit sederhana namun handal.dilengakpi dengan fitur sosft on started jadi,jika dinyalakan tidak akan .